久久久久久久夜_色拉拉av综合_成人免费自拍视频_91宅男噜噜噜66在线观看_91久久极品

您好,歡迎光臨洛陽鴻元軸承科技有限公司!

咨詢服務熱線

0379-63086299

推力球軸承

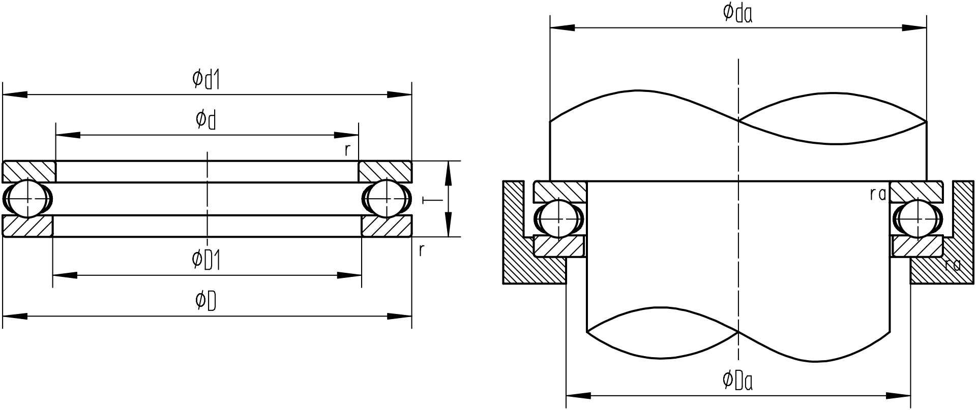
  • 推力球軸承由軸圈、底圈、球和保持架組件構成。此類軸承是可分離軸承,即球和保持架組件與墊圈可以分別安裝。推力球軸承有單向軸承和雙向軸承兩種設計,二者都可承受很高的軸向力但不能承受徑向力。...
立即咨詢
全國熱線0379-63086299

詳情介紹

推力球軸承由軸圈、底圈、球和保持架組件構成。此類軸承是可分離軸承,即球和保持架組件與墊圈可以分別安裝。

推力球軸承有單向軸承和雙向軸承兩種設計,二者都可承受很高的軸向力但不能承受徑向力。

推力球.png

1.png

2.png

3.png

推薦產品

?
Copyright ? 2005-2025 洛陽鴻元軸承科技有限公司 版權所有 備案號:豫ICP備10000262號

豫公網(wǎng)安備 41032202000136號

掃一掃咨詢微信客服
0379-63086299
  • 微信號:18837917076微信二維碼